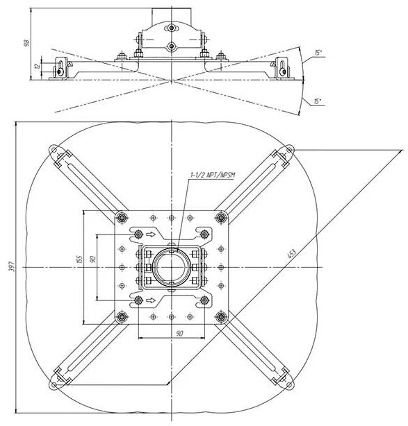
Крепление универсальное Wize PR2-UNV-W
Артикул:
125822
Вес:
0
кг.
Есть в наличии
Количество:
4 800
руб.
| Тип | Крепление |
Похожие товары